Skip to main content

Abbildung ähnlich; Dargestellt ist die Type FZDP 200x35S mit Anschluss an Klemmen

Product group : T100 | Tubular Fixed Resistors
Type series : FZZP / FZDP / FUZP / FUDP

FZDP 200x45 S

Cemented wirewound tubular fixed resistor in one-tube design, degree of protection IP20, in perforated steel sheet enclosure, mounting vertical to mounting surface, connections optionally at terminals or at screw or fast-on clips at the resistor. For integration into switch cabinets.

Electrical Data

Power

540 W

Ohm value production range

1.8 Ohm - 1.8 kOhm

Protection degree

IP20 Terminals protected against access to hazardous parts according to BGV A2

Connection

Klemmen

Voltage range

up to 3 x 500 VAC and derived DC voltages

Options

  • Temperature switch available only from tube size D = 24 mm on Please note: There will not be a disconnection of the resistor, signal is to be used by customer
  • Type designation would be: FZ.PQ ...
  • Contact rating of the signal contact: - 2 A / 24 VDC (DC11) - 2 A / 230 VAC (AC11)
  • UL recognition available You will find suggestions for the dimensioning of the resistor for continuous and short term load in the related data sheet
Mechanical Data

Weight

1.9 kg

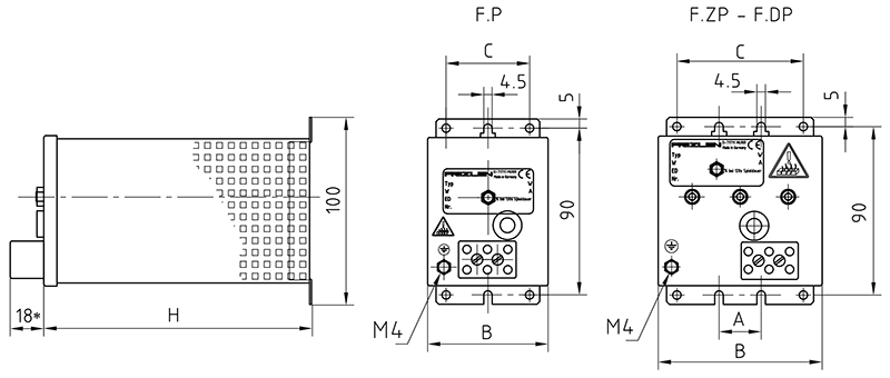
Dimensions

A: 105 mm B: 178 mm C: 150 mm H: 220 mm

Mit Temperaturschalter gilt Maßbild 11m0438_FZPQ-FZDPQ.pdf Mit UL-Zulassung (und Temperaturschalter) gilt Maßbild 11m0449_FZPU-FZDPU.pdf

Data sheet