Skip to main content

Abbildung ähnlich

Product group : T300 | Flat Resistors
Type series : GU / GZ

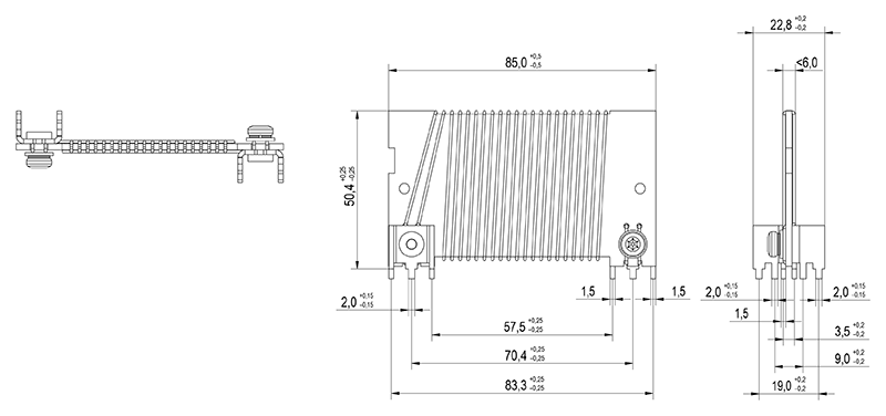
GZSL 85x50

Wirewound mica flat resistor, degree of protection IP00. Maximum width up to 115 mm, maximum length up to 300 mm. Depending upon version either wired with blank (GZ..) or with insulating-oxidized wire (GU..). We fix the blank wire of the standard version by an additional strip cementing.

Electrical Data

Power

37 W

Ohm value production range

1 Ohm - 2.2 kOhm

Ohmwertbereich dank flexibler Maße auf Anfrage erweiterbar

Protection degree

IP00

Connection

Ausführung für Leiterplatten-Montage

Voltage range

up to 848 VDC

Options

  • low noise and induction design
  • with center taps, e.g. for several partial resistors on one strap
Mechanical Data

Weight

50 g

Dimensions

Data sheet
Dimension