Zum Hauptinhalt springen

Abbildung ähnlich

Produktgruppe : T600 | Stahlgitterfestwiderstände
Baureihe : FKEY 31

FKEY 31433

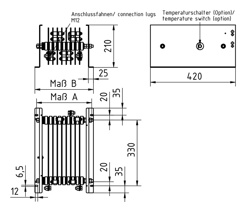
Stahlgitterfestwiderstandsblock in Schutzart IP 00 für hohe Energieaufnahme, mit Seitenteilen für den Einbau in Schaltschränke. Anschluss am Widerstand.

Elektrische Daten

Leistung

16,5 kW

Fertigungsbereich Ohmwert

70 mOhm - 3.3 Ohm

Schutzart

IP00

Spannungsbereich

bis 3 x 500 VAC und abgeleitete Gleichspannungen

Optionen

  • Auslegung für höhere Spannungen auf Anfrage
  • mit Temperaturschalter (TS) mit Steckanschlüssen 6,3x0,8: Type dann FEYQ 31…
  • in Kompaktausführung mit geringerem Platzbedarf (für kurzzeitige, hohe Energieaufnahmen): Type FKEP 31…
Mechanische Daten

Gewicht

46.5 kg

Abmessungen

A: 830 mm B: 847 mm
Datenblatt