Zum Hauptinhalt springen

Abbildung ähnlich

Produktgruppe : T600 | Stahlgitterfestwiderstände
Baureihe : FA 3

FA 33272

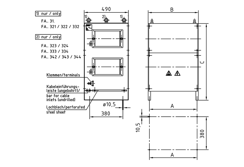
Stahlgitterfestwiderstandsgerät in Schutzart IP20 ohne Wetterschutzdach im verzinkten rundum verschlossenen Stahlblechgehäuse mit Schutzgitter unten und oben. Keramikisolierte Flach- oder Bolzenklemmen von 35 A bis 400 A bei variablem Einbau sind möglich.

Elektrische Daten

Leistung

36,0 kW

Fertigungsbereich Ohmwert

0.18 Ohm - 403 Ohm

Schutzart

IP20

Spannungsbereich

bis 3 x 500 VAC und abgeleitete Gleichspannungen
Mechanische Daten

Gewicht

82 kg

Abmessungen

A: 570 mm B: 595 mm C: 960 mm
Datenblatt