Zum Hauptinhalt springen

Abbildung ähnlich

Produktgruppe : T100 | Rohrfestwiderstände
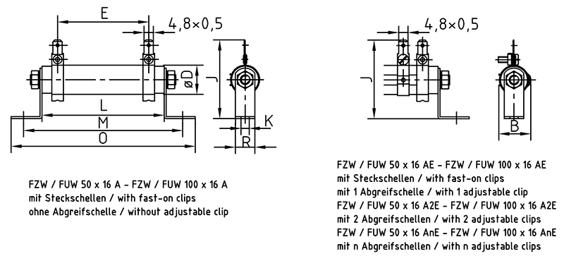
Baureihe : FZW / FUW

FZW 63x16A

Zementierter drahtgewickelter Rohrfestwiderstand in Schutzart IP00 mit angeschraubten Befestigungswinkeln, Befestigung parallel zur Montagefläche. Anschlüsse an Schraub-, Steck- oder Lötschellen am Widerstand.

Elektrische Daten

Leistung

18 W

Fertigungsbereich Ohmwert

0.39 Ohm - 10 kOhm

mit Abgreifschelle nur mit eingeschränktem Widerstandsbereich lieferbar.

Schutzart

IP00

Anschluss

Steck- oder Schraubschellen möglich

Spannungsbereich

bis 3 x 500 VAC und abgeleitete Gleichspannungen
Mechanische Daten

Gewicht

55 g

Abmessungen

B: 18 mm E: 45 mm H: 42 mm J: 42 mm M: 84 mm O: 97 mm R: 10 mm

Bei Anschlüssen an Schraubschellen siehe Maßbild 11M0325_FZW-FUW.pdf

Datenblatt