Zum Hauptinhalt springen

Abbildung ähnlich

Produktgruppe : T100 | Rohrfestwiderstände
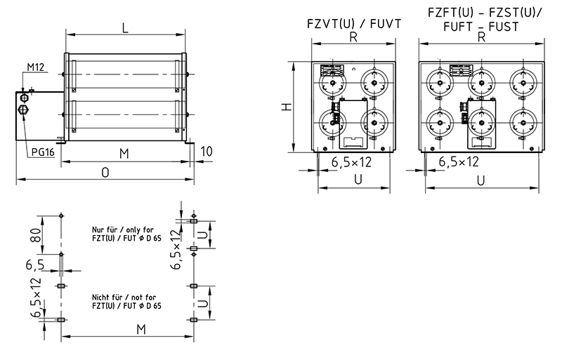
Baureihe : FZT / FZZT / FZDT / FZVT / FZFT / FZST

FZVT 400x65

Zementierter drahtgewickelter Rohrfestwiderstand in Ein- bis Sechsrohrausführung, in Schutzart IP20 bei Montage auf einer geeigneten Oberfläche, Anschluss am integrierten Überstromrelais im angebauten Klemmenkasten mit PG9 und PG11 (bis 13 A) bzw. mit M12 und PG16-Kabelverschraubungen

Elektrische Daten

Leistung

2,4 kW

Fertigungsbereich Ohmwert

4.7 Ohm - 420 Ohm

Schutzart

IP20 Bei Montage auf einer geeigneten Oberfläche

Spannungsbereich

bis 3 x 500 VAC und abgeleitete Gleichspannungen

Optionen

  • UL Zulassung
Mechanische Daten

Gewicht

9.2 kg

Abmessungen

H: 210 mm M: 426 mm O: 549 mm R: 185 mm U: 150 mm
Datenblatt