Zum Hauptinhalt springen

Abbildung ähnlich

Produktgruppe : T100 | Rohrfestwiderstände
Baureihe : FZEC / FZZC / FZDC / FZVC / FZFC / FZSC

FZFC 500x65

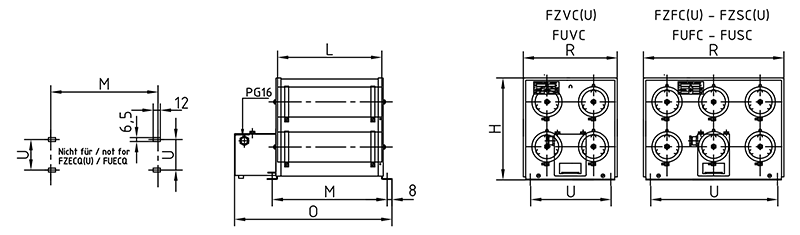
Zementierter drahtgewickelter Rohrfestwiderstand in Ein- bis Sechsrohrausführung, in Schutzart IP20 bei Montage auf einer geeigneten Oberfläche, mit Seitenteilen und perforierter Abdeckung, Befestigung parallel zur Montagefläche, mit 2 Anschlüssen verdrahtet auf Klemmen im angebauten Klemmenkasten mit PG16-Kabelverschraubung.

Elektrische Daten

Leistung

4,0 kW

Fertigungsbereich Ohmwert

2.7 Ohm - 250 Ohm

Schutzart

IP20 Bei Montage auf einer geeigneten Oberfläche

Anschluss

Klemmen oder Porzellanklemmen

Spannungsbereich

bis 3 x 500 VAC und abgeleitete Gleichspannungen

Optionen

  • Induktionsarm durch bifilare Wicklung, dadurch auch geräuscharm
  • mit Federzugklemmen 1,5/2,5/4mm²
  • Zur Temperaturüberwachung kann diese Type mit einem 180° C Temperaturschalter (TS) versehen werden (incl. M12 KV). Diese Meldung ist kundenseitig zu verwerten z.B. durch Warnung oder netzseitige Abschaltung. Hinweis: Es erfolgt keine Abschaltung des Widerstandes Typenbezeichnung dann: FZ.CQ ...
  • Schaltleistung des Meldekontaktes: - 2 A / 24 VDC (DC11) - 2 A / 230 VAC (AC11)
  • UL Zulassung Hinweise für die Widerstandsauslegung bei Dauer- und Kurzzeitbelastung finden Sie im Datenblatt
Mechanische Daten

Gewicht

12.9 kg

Abmessungen

H: 210 mm M: 530 mm O: 649 mm R: 266 mm U: 240 mm

Mit Temperaturschalter gilt Maßbild 11m0440_FZECQ-FUSCQ.pdf

Datenblatt