Zum Hauptinhalt springen

Abbildung ähnlich

Produktgruppe : T100 | Rohrfestwiderstände
Baureihe : FZ / FU

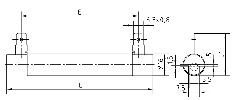
FZ 100x16

Zementierter (FZ) und unzementierter (FU) drahtgewickelter Rohrfestwiderstand in Schutzart IP00. Anschlüsse wahlweise an Steck- oder Schraubschellen am Widerstand.

Elektrische Daten

Leistung

34 W

Fertigungsbereich Ohmwert

0.68 Ohm - 18 kOhm

mit Abgreifschelle nur mit eingeschränktem Widerstandsbereich lieferbar.

Schutzart

IP00

Anschluss

Steck- oder Schraubschellen möglich

Spannungsbereich

bis 3 x 500 VAC und abgeleitete Gleichspannungen
Mechanische Daten

Gewicht

60 g

Abmessungen

B: 20 mm E: 82 mm F: 33 mm G: 33 mm
Datenblatt