Zum Hauptinhalt springen
Produktgruppe : T500 | Lamellenfestwiderstände
Baureihe : FAL 70 - FAL 75

FAL 7124

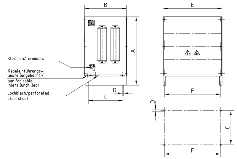
Drahtgewickeltes Lamellenfestwiderstandsgerät in Schutzart IP20 ohne Regenschutzdach im verzinkten Stahlblechgehäuse mit bis zu 30 Klemmen und Kabeleinführungsleiste. Die Klemmen sind nach dem Entfernen der Abdeckung zugänglich.

Elektrische Daten

Leistung

6,0 kW

Fertigungsbereich Ohmwert

0.5 Ohm - 100 Ohm

Schutzart

IP20

Spannungsbereich

bis 3 x 500 VAC und abgeleitete Gleichspannungen

Optionen

Geräusch- und induktivitätsarme Ausführung (Lamellenträger aus Aluminium oder Edelstahl)

  • Geräusch- und induktivitätsarme Ausführung (Lamellenträger aus Aluminium oder Edelstahl)
  • Ausführung mit größerer Klemmenzahl, höherer Leistung oder anderer Schutzart auf Anfrage
  • Konsolen für Wandmontage lieferbar
Mechanische Daten

Gewicht

30 kg

Abmessungen

A: 500 mm B: 300 mm C: 250 mm D: 8 mm E: 430 mm F: 400 mm