Zum Hauptinhalt springen
Produktgruppe : T500 | Lamellenfestwiderstände
Baureihe : FAL 16 - FAL 20

FAL 1906

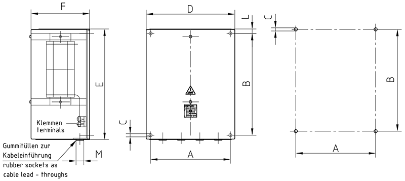
Drahtgewickeltes Lamellenfestwiderstandsgerät in Schutzart IP20 ohne Regenschutzdach im verzinkten Stahlblechgehäuse mit bis zu 12 Klemmen und mehreren Bohrungen für Kabeleinführungen, die durch Gummitüllen verschlossen sind.

Elektrische Daten

Leistung

1,5 kW

Fertigungsbereich Ohmwert

1.5 Ohm - 250 Ohm

mit Abgreifschelle nur mit eingeschränktem Widerstandsbereich lieferbar.

Schutzart

IP20 nur zur Wandbefestigung

Spannungsbereich

bis 3 x 500 VAC und abgeleitete Gleichspannungen

Optionen

  • Induktivitäts- und geräuscharme Ausführung (Lamellenträger aus Aluminium oder Edelstahl)
  • Ausführung in Schutzart IP 00, Baureihe FKL 16.. bis FKL 20.. . Die Maße sind identisch mit FAL ..
  • Klemmen BK M6 (max.6 Stk.) bzw. M8 (max. 3 Stk.)
Mechanische Daten

Gewicht

15 kg

Abmessungen

A: 220 mm B: 370 mm C: 8 mm D: 290 mm E: 410 mm F: 200 mm