Zum Hauptinhalt springen

Abbildung ähnlich

Produktgruppe : T300 | Flachwiderstände
Baureihe : WPAZQ

WPAZQ 90604

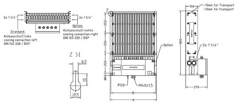
Drahtgewickelter Flachwiderstand in Schutzart IP 54 im Aluminiumgehäuse, kombiniert mit Wasserkühlern mit interner Cu-Verrohrung. Elektrisch komplett verdrahtet auf Klemmen im angebauten Klemmenkasten. Kühlseite auf 2 Kühlanschlüsse 1 ¼ Zoll (DIN ISO 228) geführt.

Elektrische Daten

Leistung

15,0 kW

Fertigungsbereich Ohmwert

3 Ohm - 3.3 kOhm

Schutzart

IP54

Spannungsbereich

bis 848 VDC

Optionen

  • Montage und Verbindungsmaterialien aus Edelstahl V2A
  • mit zusätzlichem PT100 Element
  • Eingebaut in Edelstahlschaltschrank
Mechanische Daten

Gewicht

33 kg

Abmessungen

A: 280 mm B: 260 mm
Datenblatt