Zum Hauptinhalt springen

Abbildung ähnlich

Produktgruppe : T300 | Flachwiderstände
Baureihe : GWAD / GYAD

GYAD 216x120

Kurzschlussfester drahtgewickelter Flachwiderstand im eloxierten Aluminiumgehäuse. Ausführung mit 2 PTFE-Litzen, AWG 14/19 (2,1 mm²), 0,5 m lang.

Elektrische Daten

Leistung

300 W

Fertigungsbereich Ohmwert

10 Ohm - 12 kOhm

Schutzart

IP67 als GWAD: in IP54; als GYAD: in IP67

Anschluss

mit 2 PTFE-Litzen, AWG 14/19 (2,1 mm²)

Spannungsbereich

bis 848 VDC

Optionen

  • Zur Temperaturüberwachung kann diese Type mit einem 180° C Temperaturschalter versehen werden, der mit 2 Litzen zum Anschluss vorbereitet ist. Typenbezeichung dann: GWADQ … (nur für Type GW..Q.. – nicht für GY..)
  • Winkelsätze zur Befestigung als Zubehör auf Anfrage erhältlich
Mechanische Daten

Gewicht

1.1 kg

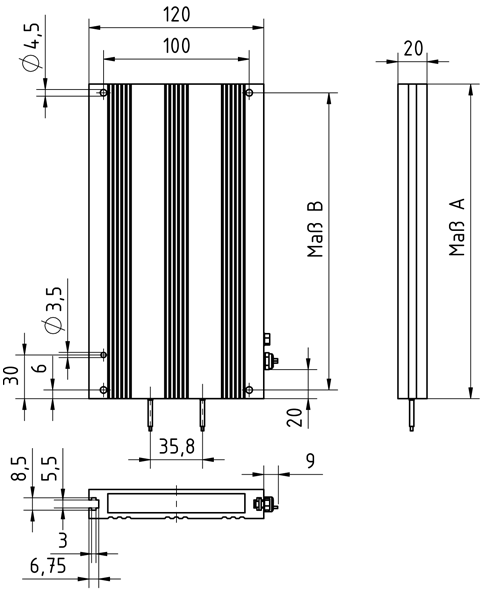
Abmessungen

A: 216 mm B: 204 mm C: 100 mm D: 120 mm E: 35 mm F: 20 mm

Dargestellt ist Ausführung mit Temperaturschalter (Q)