Zum Hauptinhalt springen
Produktgruppe : T200 | Zementierte Drahtdrehwiderstände
Baureihe : R100 / R150 / R250 / R500

R100

Zementierter Drahtdrehwiderstand, in Schutzart IP00, zum Einbau, Anschluss an Schraubanschlüssen

Elektrische Daten

Leistung

120 W

Fertigungsbereich Ohmwert

1.2 Ohm - 39 kOhm

Schutzart

IP00

Spannungsbereich

bis 3 x 230/400 V

Optionen

  • andere Achslänge
  • mit gestufter Wicklung
  • geringere Ohmwert-Toleranz
Mechanische Daten

Gewicht

500 g

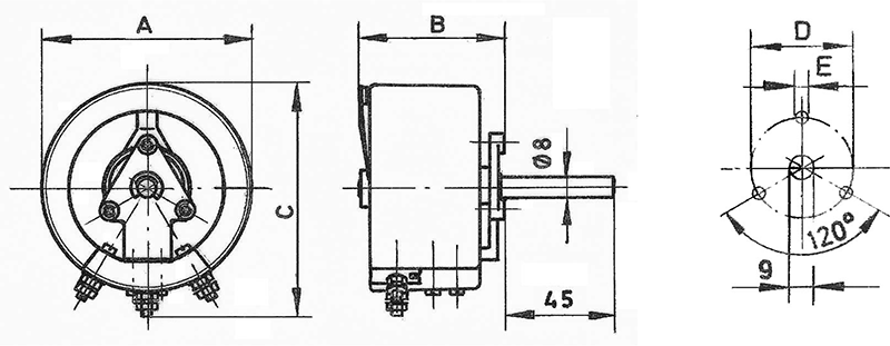
Abmessungen

A: 86 mm B: 62 mm C: 98 mm D: 36 mm
Datenblatt